項(xiàng)目-幻燈片1.jpg)
Zhongnuo Testing has been engaged in the explosion-proof certification industry for many years and has encountered various customers, increasingly feeling the diversity of customer needs. As a one-stop service platform for explosion-proof certification, Zhongnuo Testing has gained increasing trust and recognition from customers in terms of explosion-proof product certification, explosion-proof on-site safety inspections, explosion-proof electrical equipment installation qualifications, explosion-proof dust detection, explosion-proof testing reports, and in recent years, we have undertaken various explosion-proof designs for explosion-proof electrical equipment.
In terms of explosion-proof technology design, our senior engineers have over 20 years of experience in the research and technical design of factory explosion-proof products. They have accumulated rich experience and insights in explosion-proof structures, materials, strong and weak electricity, microcontroller software and hardware, especially in the field of intrinsic safety technology. Our engineers have led and participated in the research and development of various innovative explosion-proof products with structural, electrical, electronic software and hardware, which are applied in industries such as petrochemicals in China and overseas. We have also obtained multiple invention patents and utility model patents, and published multiple papers related to electrical, explosion-proof and other technologies in core journals in this industry.
As an experienced enterprise in the industry, Zhongnuo Testing has provided customers with a complete set of explosion-proof technology designs for intrinsically safe, sealed, explosion-proof, increased safety and other explosion-proof types based on their needs and national standards. The design content includes a complete set of structural drawings, 2D and 3D design drawings, process documents, enterprise standards, circuit diagrams, etc.
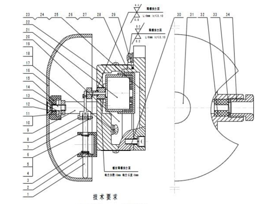
Partial explosion-proof technology design cases provided by Zhongnuo Testing for customers:
1. Explosion proof frequency converter

2. Explosion proof controller

3. Intrinsic safety, explosion-proof, and sealing composite liquefied petroleum gas automatic filling machine

4. Explosion proof electric bell

Service Hotline: 18924609560 (same WeChat account)

|
||||||
|
||||||